Hướng dẫn cách lắp đặt điều hòa âm trần
14/07/2017    4266

Hướng dẫn lắp đặt đường ống nước điều hòa âm trần

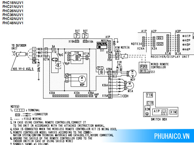
Cách lắp đặt điều hòa âm trần cho hệ thống điện

Chi tiết dàn lạnh điều hòa âm trần

Các tin khác
- Kèo Đá Phạt Góc: Bước Đầu Để Chiếm Lĩnh Thế Giới Cá Cược
- Cập Nhật Bảng Xếp Hạng Bóng Đá Nhanh Chóng Tại Bong99
- Link truy cập cổng game bài đổi thưởng - Thông tin cần biết
- Các giải pháp tiết kiệm năng lượng điện
- Thi công hệ thống chiller
- Công ty TNHH Nipro Pharma Việt Nam đầu tư vào Hải Phòng
- Dự án nhà máy điện tử Meiko electronic Vietnam
- Huớng dẫn sử dụng điều hòa an toàn và tiết kiệm điện
- Tư vấn lắp đặt điều hòa hợp phong thủy cho ngôi nhà
- Máy lạnh lâu làm lạnh- nguyên nhân và cách xử lý?